Vous êtes ici: Maison / Matériel de levage / Rigging / Dé à coudre solide DIN 3091

Matériel de levage

loading

Partager sur:
facebook sharing button
twitter sharing button
line sharing button
wechat sharing button
linkedin sharing button
pinterest sharing button
whatsapp sharing button
sharethis sharing button

Dé à coudre solide DIN 3091

COSSE SOLIDE DIN 3091
Matériau : fonte
Norme : DIN 3091
Surface : Peinte ou galvanisée
Quantité minimale de commande : 30 pièces
 
 
État de disponibilité:
Quantité:
  • HEE


 ANNEAU EN FONTE MALLÉABLE LOURDE DIN 3091


微信图片_20240115163016

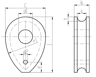
TAILLE Taille primaire mm
a b c d1 t l r1 d2 e
8 9 15 40 14 4.5 56 48

10 11 17.5 50 18 6 70 60

12 13 20 60 21 7.5 84 72

14 16 23.5 70 25 9 98 84

16 18 26 80 28 10.5 110 96

18 20 28.5 90 31 12 130 110

20 22 31 100 35 13.5 140 120 10 30
22 24 33.5 110 38 15 150 130 10 30
24 26 36 120 41 16.5 170 140 10 30
26 29 39.5 130 44 18 180 160 10 30
28 31 42 140 47 20 200 170 10 30
32 35 47 160 53 23 220 190 10 30
36 40 53 180 59 26 250 220 10 30
40
44 58 200
65 29 280 240 10 30
44 48 63 220 70 32 310 260 15 45





sur: 
En vertu d'un: 

Articles Liés

le contenu est vide!

HEE et Rijiu ont les capacités de fabriquer presque tous vos besoins pour une livraison juste à temps partout dans le monde.
message de congé
Prenez contact avec nous

Liens rapides

Contactez-nous

Téléphone : +86-512-5266-2139
E-mail : hcee@cshcee.com
Adresse : No.99 Tongjiang Road, Meili Town, Changshu City, Jiangsu Province, RPC

Produits chauds

TRAPPE ÉTANCHE À POIGNÉE EN T FLUSH
Modèle : DF-430-18
Matériau : ASTM A36
Finition standard : Peinture primaire
Couleur : comme votre demande
Quantité minimale de commande : 5 pièces
Emballage : palette de contreplaqué
0
0
4 Hatchs à eau surélevées sur le chien
Modèle: DF-343-5
Matériau: acier
Poids: 99lbs
Finition standard: amorce de peinture
Couleur: gris ou comme demande
MOQ: 5pcs
Emballage: palette de contreplaqué
0
0

Le DF-274-5 2 Hatchez étanche à eau surélevée du chien est un raccord de deck marine premium conçu par Hee (Changshu Haichuan Engineering & Equipment Co., Ltd.), un principal fabricant en Chine spécialisé dans les équipements marins et offshore. Conçu pour répondre au besoin critique d'une résistance à l'eau fiable dans des environnements marins sévères, cette trappe sert de barrière protectrice pour les ouvertures du pont, empêchant l'entrée d'eau, l'accumulation de poussière et la corrosion qui pourraient endommager les composants internes des navires, des plates-formes offshore ou des infrastructures portuaires.

0
0
​Copyright © 2023 Changshu HaiChuan Engineering & Equipment Co.,Ltd. Tous droits réservés.| Sitemap | politique de confidentialité |Soutenu par Leadong