| État de disponibilité: | |
|---|---|
| Quantité: | |
DF-40A
HEE
Couler en acier double bitt
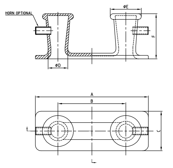
MOOEL NON | A | B | C | фd | фe | F | Wt. (LBS) | CORNE |
| Df-2 | 40 ' | 27 ' | 14 ' | 7 ' | 11 ' | 16 ' | 375 | √ |
| DF-2A | 40 ' | 27 ' | 14 ' | 7 ' | 11 ' | 16 ' | 385 | X |
| DF-40 | 45 ' | 24 ' | 15 ' | 9 ' | 13 1/2 ' | 18 ' | 545 | √ |
| DF-40A | 45 ' | 24 ' | 15 ' | 9 ' | 13 1/2 ' | 18 ' | 560 | X |
Les doubles bitts en acier en acier servent de squelette des systèmes d'amarrage des navires, offrant des points d'ancrage robustes pour sécuriser plusieurs lignes d'amarrage pendant les opérations d'accostage, d'amarrage et offshore. Comme les navires modernes nécessitent une capacité d'amarrage accrue pour gérer des charges de cargaison plus importantes et des forces environnementales plus fortes, ces doubles bitts offrent une résistance exceptionnelle avec des capacités de gestion des lignes flexibles. Construits à partir d' acier coulé de qualité ASTM A27 dans une conception en une seule pièce, ils comportent deux poteaux de 14 pouces de diamètre de 42 pouces de haut, espacés de 24 pouces de distance pour accueillir des lignes d'amarrage parallèles. Avec une charge de travail sûre combinée (SWL) de 1800 kN (183 tonnes), ces Bitts sont conçus pour les grands navires commerciaux, y compris les transporteurs en vrac, les navires à conteneurs et les pétroliers de GNL opérant dans des ports majeurs dans le monde.
Les deux poteaux verticaux présentent un renforcement de base intégré avec une sangle d'épaisseur de 1 pouce d'épaisseur les connectant à la bride de montage carrée de 30 pouces. Chaque poteau comprend un dessus effilé (6 pouces de diamètre au pic) avec des bords arrondis pour éviter les dommages causés par la corde, tandis que les surfaces post sont polies à la finition RA 3,2 μm pour réduire le frottement. L'espacement permet une manipulation simultanée de deux cordes de 90 mm de diamètre avec une interférence minimale.
Fabriqué à l'aide de la coulée de sable en résine pour une réplication de géométrie complexe, les Bitts obtiennent des propriétés de matériaux cohérentes avec une résistance à la traction dépassant 400 MPa. La coulée monobloc élimine les soudures qui créent des points de défaillance potentiels, tandis que le traitement thermique à 190 BHN assure une dureté optimale pour la résistance à l'usure. Les tests non destructeurs confirment l'absence de défauts internes dans les zones de charge critique.
L'ensemble entier subit un traitement de surface en plusieurs étapes : explosion abrasive vers SA 3.0, application de l'amorce époxy riche en zinc de 150 μm et finition du revêtement avec du polyuréthane marin de 80 μm de qualité marine. Ce système fournit plus de 2000 heures de résistance au pulvérisation saline par ASTM B117. Les canaux de drainage usinés dans la bride de base empêchent la regroupement d'eau autour des boulons de montage.
Les doubles poteaux permettent une sécurisation et un ajustement indépendants de plusieurs lignes d'amarrage, permettant un contrôle précis des tensions et réduisant le risque d'enchevêtrement de ligne. Cette configuration offre une flexibilité opérationnelle pour gérer différents scénarios d'amarrage, notamment l'accosant de port, l'ancrage offshore et les situations d'urgence.
La coulée en une seule pièce crée un chemin de charge continu des poteaux à la bride de montage, éliminant les soudures qui peuvent fatiguer sous le chargement cyclique. Cette conception offre une résistance à la fatigue 30% plus élevée par rapport aux bitts fabriqués soudés, prolongeant la durée de vie dans des applications à cycle élevé.
Ces Bitts sont optimisés pour les navires Panamax et Post-Panamax allant de 50 000 à 200 000 DWT, y compris des navires à conteneurs, des transporteurs en vrac et des pétroliers. Leur capacité de charge et leurs dimensions s'alignent sur les exigences d'amarrage des grands navires opérant sur les routes commerciales internationales.
L'installation nécessite des soudures de pénétration complète aux principaux éléments structurels du navire, en suivant les spécifications de soudage AWS D1.1. La bride de montage doit être soutenue par des plaques de renforcement (épaisseur minimale de 1 pouce) soudées sur le pont ou la structure de cloison pour répartir efficacement les charges.
Les inspections mensuelles devraient vérifier la corrosion, les modèles d'usure de la corde et l'intégrité de la soudure. L'entretien annuel comprend la peinture de retouche des zones endommagées avec des revêtements marins compatibles et une vérification du couple du matériel de montage. Les tests de charge à 125% de SWL sont recommandés tous les 5 ans.
Couler en acier double bitt
MOOEL NON | A | B | C | фd | фe | F | Wt. (LBS) | CORNE |
| Df-2 | 40 ' | 27 ' | 14 ' | 7 ' | 11 ' | 16 ' | 375 | √ |
| DF-2A | 40 ' | 27 ' | 14 ' | 7 ' | 11 ' | 16 ' | 385 | X |
| DF-40 | 45 ' | 24 ' | 15 ' | 9 ' | 13 1/2 ' | 18 ' | 545 | √ |
| DF-40A | 45 ' | 24 ' | 15 ' | 9 ' | 13 1/2 ' | 18 ' | 560 | X |
Les doubles bitts en acier en acier servent de squelette des systèmes d'amarrage des navires, offrant des points d'ancrage robustes pour sécuriser plusieurs lignes d'amarrage pendant les opérations d'accostage, d'amarrage et offshore. Comme les navires modernes nécessitent une capacité d'amarrage accrue pour gérer des charges de cargaison plus importantes et des forces environnementales plus fortes, ces doubles bitts offrent une résistance exceptionnelle avec des capacités de gestion des lignes flexibles. Construits à partir d' acier coulé de qualité ASTM A27 dans une conception en une seule pièce, ils comportent deux poteaux de 14 pouces de diamètre de 42 pouces de haut, espacés de 24 pouces de distance pour accueillir des lignes d'amarrage parallèles. Avec une charge de travail sûre combinée (SWL) de 1800 kN (183 tonnes), ces Bitts sont conçus pour les grands navires commerciaux, y compris les transporteurs en vrac, les navires à conteneurs et les pétroliers de GNL opérant dans des ports majeurs dans le monde.
Les deux poteaux verticaux présentent un renforcement de base intégré avec une sangle d'épaisseur de 1 pouce d'épaisseur les connectant à la bride de montage carrée de 30 pouces. Chaque poteau comprend un dessus effilé (6 pouces de diamètre au pic) avec des bords arrondis pour éviter les dommages causés par la corde, tandis que les surfaces post sont polies à la finition RA 3,2 μm pour réduire le frottement. L'espacement permet une manipulation simultanée de deux cordes de 90 mm de diamètre avec une interférence minimale.
Fabriqué à l'aide de la coulée de sable en résine pour une réplication de géométrie complexe, les Bitts obtiennent des propriétés de matériaux cohérentes avec une résistance à la traction dépassant 400 MPa. La coulée monobloc élimine les soudures qui créent des points de défaillance potentiels, tandis que le traitement thermique à 190 BHN assure une dureté optimale pour la résistance à l'usure. Les tests non destructeurs confirment l'absence de défauts internes dans les zones de charge critique.
L'ensemble entier subit un traitement de surface en plusieurs étapes : explosion abrasive vers SA 3.0, application de l'amorce époxy riche en zinc de 150 μm et finition du revêtement avec du polyuréthane marin de 80 μm de qualité marine. Ce système fournit plus de 2000 heures de résistance au pulvérisation saline par ASTM B117. Les canaux de drainage usinés dans la bride de base empêchent la regroupement d'eau autour des boulons de montage.
Les doubles poteaux permettent une sécurisation et un ajustement indépendants de plusieurs lignes d'amarrage, permettant un contrôle précis des tensions et réduisant le risque d'enchevêtrement de ligne. Cette configuration offre une flexibilité opérationnelle pour gérer différents scénarios d'amarrage, notamment l'accosant de port, l'ancrage offshore et les situations d'urgence.
La coulée en une seule pièce crée un chemin de charge continu des poteaux à la bride de montage, éliminant les soudures qui peuvent fatiguer sous le chargement cyclique. Cette conception offre une résistance à la fatigue 30% plus élevée par rapport aux bitts fabriqués soudés, prolongeant la durée de vie dans des applications à cycle élevé.
Ces Bitts sont optimisés pour les navires Panamax et Post-Panamax allant de 50 000 à 200 000 DWT, y compris des navires à conteneurs, des transporteurs en vrac et des pétroliers. Leur capacité de charge et leurs dimensions s'alignent sur les exigences d'amarrage des grands navires opérant sur les routes commerciales internationales.
L'installation nécessite des soudures de pénétration complète aux principaux éléments structurels du navire, en suivant les spécifications de soudage AWS D1.1. La bride de montage doit être soutenue par des plaques de renforcement (épaisseur minimale de 1 pouce) soudées sur le pont ou la structure de cloison pour répartir efficacement les charges.
Les inspections mensuelles devraient vérifier la corrosion, les modèles d'usure de la corde et l'intégrité de la soudure. L'entretien annuel comprend la peinture de retouche des zones endommagées avec des revêtements marins compatibles et une vérification du couple du matériel de montage. Les tests de charge à 125% de SWL sont recommandés tous les 5 ans.
Le DF-274-5 2 Hatchez étanche à eau surélevée du chien est un raccord de deck marine premium conçu par Hee (Changshu Haichuan Engineering & Equipment Co., Ltd.), un principal fabricant en Chine spécialisé dans les équipements marins et offshore. Conçu pour répondre au besoin critique d'une résistance à l'eau fiable dans des environnements marins sévères, cette trappe sert de barrière protectrice pour les ouvertures du pont, empêchant l'entrée d'eau, l'accumulation de poussière et la corrosion qui pourraient endommager les composants internes des navires, des plates-formes offshore ou des infrastructures portuaires.