Le DF-144 5 Hatche de ullage de chien unique remplit un rôle spécialisé dans les opérations marines, offrant un accès précis à la mesure du niveau du liquide et à l'inspection des réservoirs.
| État de disponibilité: | |
|---|---|
| Quantité: | |
DF-144-5
DF-144-5 Hatche de ullage de chien simple
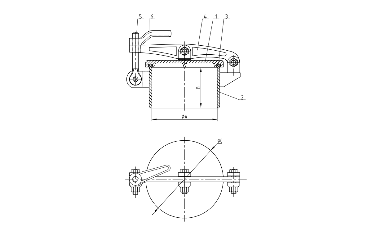
Modèle no. | Φa | B | Φc | Wt. (LBS) |
| DF-144-5 | 8 1/16 ' | 7/8 ' | 9 1/2 ' | 38 |
| NON. | Nom et spécifications | Qté | Matériel |
| 1 | COUVERTURE | 1 | Acier coulé |
| 2 | Coaming | 1 | STEEL |
| 3 | Joint | 1 | Néoprène |
| 4 | BRAS | 1 | Acier coulé |
| 5 | Tumble | 1 | INOXYDABLE |
| 6 | Poignée de chien | 1 | Fonte |
Test de fuite: pression 0,04MPA
D'autres extras en option comprennent: une construction galvanisée à chaud, une construction en acier inoxydable et des hauteurs personnalisées
Contrairement aux trappes à usage général, cette conception hiérarchise l'accès contrôlé aux réservoirs de stockage, aux cains cargo et aux réservoirs de fluide sur divers navires. Son système de verrouillage compact à un seul chien offre un fonctionnement rapide et sans outil tout en maintenant l'intégrité du joint nécessaire pour les zones de confinement liquide. Comme les réglementations maritimes mettent l'accent sur les protocoles de mesure et de sécurité des cargaisons précises, cette trappe d'Ullage est devenue un élément essentiel des opérations de pétroliers et du transport de liquide en vrac.
Optimisée pour la mesure du niveau liquide, la trappe dispose d'une empreinte compacte qui minimise l'exposition aux réservoirs tout en offrant un accès suffisant pour les instruments de mesure et l'équipement d'inspection. La taille d'ouverture est conçue pour s'adapter aux bandes Ullage standard, aux dispositifs d'échantillonnage et aux sondes de capteur utilisées dans les procédures de vérification du fret.
Le unique verrou de chien ergonomique permet un fonctionnement à une main, permettant un accès rapide lors des vérifications de mesure de routine. Malgré son fonctionnement simplifié, le système de verrouillage crée une compression adéquate pour maintenir un joint étanche au liquide lorsqu'il est fermé, empêchant l'évasion et la contamination de vapeur. La poignée intègre un indicateur visuel affichant l'état verrouillé / déverrouillé.
Construit avec des matériaux compatibles avec divers types de fret, y compris les produits pétroliers, les produits chimiques et l'eau potable. Le joint d'étanchéité est disponible dans des composés spécialisés pour résister à la dégradation chimique lorsqu'il est utilisé avec des substances agressives. Tous les composants mouillés utilisent des matériaux non réactifs pour empêcher la contamination du fret ou la dégradation des produits.
Principalement utilisé dans les navires-citerne et les porteurs de produits chimiques , cette trappe Ullage donne accès aux réservoirs de stockage liquide pour la mesure, l'échantillonnage et l'inspection des niveaux. Il est généralement installé sur les compartiments de stockage de carburant des navires commerciaux et des plates-formes offshore. La conception se trouve également sur les navires de transport de boissons et les réservoirs d'eau où le maintien de la pureté des produits est essentiel. Les navires navals utilisent ces écoutilles pour surveiller les réserves de carburant et d'eau tout en maintenant un confinement sécurisé.
Une trappe Ullage est spécialement conçue pour accéder aux réservoirs de stockage liquide pour mesurer l'espace vide ( 'Ullage ') en haut du réservoir, critique pour déterminer les volumes de fret. Contrairement aux trappes d'accès général, il dispose d'une ouverture plus petite optimisée pour les instruments de mesure plutôt que pour l'accès au personnel.
Oui, lorsqu'il est spécifié avec des matériaux de joint et des options de construction appropriés, le DF-144 5 répond aux exigences réglementaires pour le confinement des matières dangereuses. Il peut être configuré pour gérer les substances inflammables, corrosives et toxiques couramment transportées dans des vaisseaux marins.
Le chien conçu de précision applique une pression concentrée au point optimal sur le joint d'étanchéité. Bien que moins de conceptions multi-chiens, le placement et l'effet de levier du chien unique créent une compression suffisante pour des performances étanches en liquide dans les applications de réservoir non pressurisés.
La surface d'étanchéité doit être inspectée régulièrement pour les débris qui pourraient compromettre le sceau. Le joint doit être remplacé chaque année ou chaque fois que les signes d'usure apparaissent. L'ouverture de mesure doit être maintenue propre pour assurer des lectures précises et empêcher la contamination.
Oui, l'ouverture peut être adaptée pour s'adapter aux installations de capteurs permanentes tout en maintenant la fonctionnalité d'origine de la trappe. Les raccords facultatifs permettent l'intégration avec des systèmes de mesure automatisés pour la surveillance à distance des niveaux de réservoir.
DF-144-5 Hatche de ullage de chien simple
Modèle no. | Φa | B | Φc | Wt. (LBS) |
| DF-144-5 | 8 1/16 ' | 7/8 ' | 9 1/2 ' | 38 |
| NON. | Nom et spécifications | Qté | Matériel |
| 1 | COUVERTURE | 1 | Acier coulé |
| 2 | Coaming | 1 | STEEL |
| 3 | Joint | 1 | Néoprène |
| 4 | BRAS | 1 | Acier coulé |
| 5 | Tumble | 1 | INOXYDABLE |
| 6 | Poignée de chien | 1 | Fonte |
Test de fuite: pression 0,04MPA
D'autres extras en option comprennent: une construction galvanisée à chaud, une construction en acier inoxydable et des hauteurs personnalisées
Contrairement aux trappes à usage général, cette conception hiérarchise l'accès contrôlé aux réservoirs de stockage, aux cains cargo et aux réservoirs de fluide sur divers navires. Son système de verrouillage compact à un seul chien offre un fonctionnement rapide et sans outil tout en maintenant l'intégrité du joint nécessaire pour les zones de confinement liquide. Comme les réglementations maritimes mettent l'accent sur les protocoles de mesure et de sécurité des cargaisons précises, cette trappe d'Ullage est devenue un élément essentiel des opérations de pétroliers et du transport de liquide en vrac.
Optimisée pour la mesure du niveau liquide, la trappe dispose d'une empreinte compacte qui minimise l'exposition aux réservoirs tout en offrant un accès suffisant pour les instruments de mesure et l'équipement d'inspection. La taille d'ouverture est conçue pour s'adapter aux bandes Ullage standard, aux dispositifs d'échantillonnage et aux sondes de capteur utilisées dans les procédures de vérification du fret.
Le unique verrou de chien ergonomique permet un fonctionnement à une main, permettant un accès rapide lors des vérifications de mesure de routine. Malgré son fonctionnement simplifié, le système de verrouillage crée une compression adéquate pour maintenir un joint étanche au liquide lorsqu'il est fermé, empêchant l'évasion et la contamination de vapeur. La poignée intègre un indicateur visuel affichant l'état verrouillé / déverrouillé.
Construit avec des matériaux compatibles avec divers types de fret, y compris les produits pétroliers, les produits chimiques et l'eau potable. Le joint d'étanchéité est disponible dans des composés spécialisés pour résister à la dégradation chimique lorsqu'il est utilisé avec des substances agressives. Tous les composants mouillés utilisent des matériaux non réactifs pour empêcher la contamination du fret ou la dégradation des produits.
Principalement utilisé dans les navires-citerne et les porteurs de produits chimiques , cette trappe Ullage donne accès aux réservoirs de stockage liquide pour la mesure, l'échantillonnage et l'inspection des niveaux. Il est généralement installé sur les compartiments de stockage de carburant des navires commerciaux et des plates-formes offshore. La conception se trouve également sur les navires de transport de boissons et les réservoirs d'eau où le maintien de la pureté des produits est essentiel. Les navires navals utilisent ces écoutilles pour surveiller les réserves de carburant et d'eau tout en maintenant un confinement sécurisé.
Une trappe Ullage est spécialement conçue pour accéder aux réservoirs de stockage liquide pour mesurer l'espace vide ( 'Ullage ') en haut du réservoir, critique pour déterminer les volumes de fret. Contrairement aux trappes d'accès général, il dispose d'une ouverture plus petite optimisée pour les instruments de mesure plutôt que pour l'accès au personnel.
Oui, lorsqu'il est spécifié avec des matériaux de joint et des options de construction appropriés, le DF-144 5 répond aux exigences réglementaires pour le confinement des matières dangereuses. Il peut être configuré pour gérer les substances inflammables, corrosives et toxiques couramment transportées dans des vaisseaux marins.
Le chien conçu de précision applique une pression concentrée au point optimal sur le joint d'étanchéité. Bien que moins de conceptions multi-chiens, le placement et l'effet de levier du chien unique créent une compression suffisante pour des performances étanches en liquide dans les applications de réservoir non pressurisés.
La surface d'étanchéité doit être inspectée régulièrement pour les débris qui pourraient compromettre le sceau. Le joint doit être remplacé chaque année ou chaque fois que les signes d'usure apparaissent. L'ouverture de mesure doit être maintenue propre pour assurer des lectures précises et empêcher la contamination.
Oui, l'ouverture peut être adaptée pour s'adapter aux installations de capteurs permanentes tout en maintenant la fonctionnalité d'origine de la trappe. Les raccords facultatifs permettent l'intégration avec des systèmes de mesure automatisés pour la surveillance à distance des niveaux de réservoir.
Le DF-274-5 2 Hatchez étanche à eau surélevée du chien est un raccord de deck marine premium conçu par Hee (Changshu Haichuan Engineering & Equipment Co., Ltd.), un principal fabricant en Chine spécialisé dans les équipements marins et offshore. Conçu pour répondre au besoin critique d'une résistance à l'eau fiable dans des environnements marins sévères, cette trappe sert de barrière protectrice pour les ouvertures du pont, empêchant l'entrée d'eau, l'accumulation de poussière et la corrosion qui pourraient endommager les composants internes des navires, des plates-formes offshore ou des infrastructures portuaires.